产品功能
断相保护:当三相中任一相出现断路时,保护动作时间<1min
过流保护:电机堵转时,保护器延时(±1s)动作
欠压保护:电源电压(60%-75%)Ue时,保护压动作时间<60s
过温保护:当软起动运行超温时,软起动自行关断并报软启动过热故障
三相不平街保护:当三相不平度K1或K2大于10%保护动作时间<10min
过压保护:电源电压Ue>120%时,保护动作时间<1s
复位功能:手动停止键复位
产品接线演示图

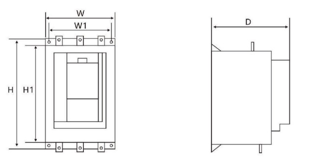
外形和安装尺寸

| 型号 | 功率(KW) | 皲逯定输出电流(A) | 宽(W) | 长(H) | 厚(D) | 宽(W1) | 长(H1) |
| AZK300-4-011 | 11KW | 20A | 160 | 265 | 210 | 147 | 2248 |
| AZK300-4-015 | 15KW | 30A | 160 | 265 | 210 | 147 | 248 |
| AZK300-4-018 | 18KW | 37A | 160 | 265 | 210 | 147 | 248 |
| AZK300-4-022 | 22KW | 45A | 160 | 265 | 210 | 147 | 248 |
| AZK300-4-030 | 30KW | 60A | 160 | 265 | 210 | 147 | 248 |
| AZK300-4-037 | 37KW | 75A | 160 | 265 | 210 | 147 | 248 |
| AZK300-4-045 | 45KW | 90A | 160 | 265 | 210 | 147 | 248 |
| AZK300-4-055 | 55KW | 110A | 230 | 320 | 225 | 147 | 248 |
| AZK300-4-075 | 75KW | 150A | 230 | 320 | 225 | 166 | 297 |
| AZK300-4-090 | 90KW | 180A | 210 | 360 | 255 | 150 | 325 |
| AZK300-4-115 | 115KW | 230A | 210 | 360 | 255 | 150 | 325 |
| AZK300-4-132 | 132KW | 264A | 255 | 345 | 255 | 192 | 325 |
| AZK300-4-160 | 160KW | 320A | 255 | 345 | 255 | 192 | 325 |
| AZK300-4-185 | 185KW | 370A | 290 | 420 | 255 | 230 | 345 |
| AZK300-4-200 | 200KW | 400A | 290 | 420 | 255 | 230 | 345 |
| AZK300-4-220 | 220KW | 440A | 470 | 540 | 265 | 390 | 510 |
| AZK300-4-250 | 250KW | 500A | 470 | 540 | 265 | 390 | 510 |
| AZK300-4-280 | 280KW | 560A | 470 | 540 | 265 | 390 | 510 |
| AZK300-4-315 | 315KW | 630A | 470 | 540 | 265 | 390 | 510 |
| AZK300-4-350 | 350KW | 700A | 500 | 560 | 285 | 335 | 520 |
| AZK300-4-400 | 400KW | 800A | 500 | 560 | 285 | 335 | 520 |
| AZK300-4-450 | 450KW | 900A | 500 | 560 | 285 | 335 | 520 |
| AZK300-4-500 | 500KW | 1000A | 500 | 560 | 285 | 335 | 520 |
| AZK300-4-630 | 630KW | 1200A | 620 | 780 | 330 | 560 | 660 |
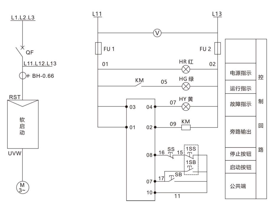
在线智能软启动电气原理图


Contact us
联系我们
欢迎与我们联系,一起开创更辉煌的未来!


