技术参数:
| 产品型号 | R5000 |
| 电源电压 | 380V/660V(±15%) |
| 启动电流限制 | 0.5~5倍 |
| 斜坡下降时间 | 0~60S |
| 软启基值电压 | 30%Ue-80%Ue,可根据现场设置 |
| 突跳启动时间 | 0.1S |
| 适用电机 | 鼠笼式三相异步电动机 |
| 起动频次 | 根据负载情况而定 |
| 冷却方式 | 1P20更高等级可协议 |
| 环境要求 | 要求海拔超过1000米,应相应降低容量使用,1000米以上每增加100米,电流降低0.5%环填温度在零下10度,零上40度之间相对湿度不超过95%:无凝露,无易燃易爆气体、无导电尘埃,通风良好的室内环境中。 |
工作原理
LY200系列电动机软起动器采用三对反并联的品闻管串接于交流电机的定子回路上,利用品用管的电子开关作用,通过微处理器控制其触发角的变化来改变品阐管的开通程度,由此以来改变交流电机输入电压大小,以达到控制交流电动机软启动目的当启动完成后软起动器输出到达额定电,通过旁路控制器信号,自动控制三相旁路接触器KM吸合,将交流电动机投入电网运行工作,如图1所示。

主回路接线演示图

外部端子接线说明
| 型号 | 功率(KW) | 额定输出电流(A) | 宽(W) | 长(H) | 厚(D) | 宽(W1) | 长(H1) |
| AZK200-4-011 | 11KW | 22A | 164 | 287 | 168 | 147 | 255 |
| AZK200-4-015 | 15KW | 30A | 164 | 287 | 168 | 147 | 255 |
| AZK200-4-078 | 18.5KW | 37A | 164 | 287 | 168 | 147 | 255 |
| AZK200-4-022 | 22KW | 45A | 164 | 287 | 168 | 147 | 255 |
| AZK200-4-030 | 30KW | 60A | 164 | 287 | 168 | 147 | 255 |
| AZK200-4-037 | 37KW | 75A | 164 | 287 | 168 | 147 | 255 |
| AZK200-4-045 | 45KW | 90A | 164 | 287 | 168 | 147 | 255 |
| AZK200-4-055 | 55KW | 110A | 164 | 287 | 168 | 147 | 255 |
| AZK200-4-075 | 75KW | 150A | 164 | 287 | 168 | 147 | 255 |
| AZK200-4-090 | 90KW | 180A | 260 | 470 | 260 | 230 | 440 |
| AZK200-4-115 | 115KW | 230A | 260 | 470 | 260 | 230 | 440 |
| AZK200-4-132 | 132KW | 264A | 260 | 470 | 260 | 230 | 440 |
| AZK200-4-160 | 160KW | 320A | 260 | 470 | 260 | 230 | 440 |
| AZK200-4-185 | 185KW | 370A | 260 | 470 | 260 | 230 | 440 |
| AZK200-4-200 | 200KW | 400A | 260 | 470 | 260 | 230 | 440 |
| AZK200-4-250 | 250KW | 500A | 290 | 500 | 260 | 260 | 470 |
| AZK200-4-280 | 280KW | 560A | 290 | 500 | 260 | 260 | 470 |
| AZK200-4-315 | 315KW | 630A | 290 | 500 | 260 | 260 | 470 |
| AZK200-4-350 | 350KW | 700A | 290 | 500 | 260 | 260 | 470 |
| AZK200-4-400 | 400KW | 800A | 300 | 550 | 285 | 300 | 500 |
| AZK200-4-450 | 450KW | 900A | 300 | 550 | 285 | 300 | 500 |
| AZK200-4-500 | 500KW | 1000A | 300 | 550 | 285 | 300 | 500 |
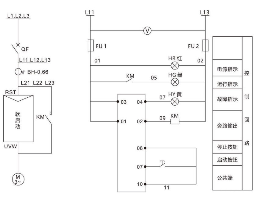
旁路软启动器电气原理图


外形和安装尺寸

| 型号 | 功率(KW) | 额定输出电流(A) | 宽(W) | 长(H) | 厚(D) | 宽(W1) | 长(H1) |
| AZK200-4-011 | 11KW | 22A | 164 | 287 | 168 | 147 | 255 |
| AZK200-4-015 | 15KW | 30A | 164 | 287 | 168 | 147 | 255 |
| AZK200-4-078 | 18.5kW | 37A | 164 | 287 | 168 | 147 | 255 |
| AZK200-4-022 | 22KW | 45A | 164 | 287 | 168 | 147 | 255 |
| AZK200-4-030 | 30KW | 60A | 164 | 287 | 168 | 147 | 255 |
| AZK200-4-037 | 37KW | 75A | 164 | 287 | 168 | 147 | 255 |
| AZK200-4-045 | 45KW | 90A | 164 | 287 | 168 | 147 | 255 |
| AZK200-4-055 | 55KW | 110A | 164 | 287 | 168 | 147 | 255 |
| AZK200-4-075 | 75KW | 150A | 164 | 287 | 168 | 147 | 255 |
| AZK200-4-090 | 90KW | 180A | 260 | 470 | 260 | 230 | 440 |
| AZK200-4-115 | 115KW | 230A | 260 | 470 | 260 | 230 | 440 |
| AZK200-4-132 | 132KW | 264A | 260 | 470 | 260 | 230 | 440 |
| AZK200-4-160 | 160KW | 320A | 260 | 470 | 260 | 230 | 440 |
| AZK200-4-185 | 185KW | 370A | 260 | 470 | 260 | 230 | 440 |
| AZK200-4-200 | 200KW | 400A | 260 | 470 | 260 | 230 | 440 |
| AZK200-4-250 | 250KW | 500A | 290 | 500 | 260 | 260 | 470 |
| AZK200-4-280 | 280KW | 560A | 290 | 500 | 260 | 260 | 470 |
| AZK200-4-315 | 315KW | 630A | 290 | 500 | 260 | 260 | 470 |
| AZK200-4-350 | 350KW | 700A | 290 | 500 | 260 | 260 | 470 |
| AZK200-4-400 | 400KW | 800A | 300 | 550 | 285 | 300 | 500 |
| AZK200-4-450 | 450KW | 900A | 300 | 550 | 285 | 300 | 500 |
| AZK200-4-500 | 500KW | 1000A | 300 | 550 | 285 | 300 | 500 |
Contact us
联系我们
欢迎与我们联系,一起开创更辉煌的未来!


