技术参数:
| 产品名称 | 高性能矢量变频器 |
| 功率规格 | 185KW~220KW |
| 额定电压 | 380V |
| 输入电压 | ±15% |
| 输入频率 | 50Hz |
| 冷却等级 | 风冷,带风扇控制 |
| 低频输出 | 0~300Hz |
| 高频输出 | 0~3000Hz |
| 控制方式 | V/F控制、高级V/F控制、V/F分离控制、电流矢量控制 |
| 保护方式 | 过电流、过压欠压、模块故障、过热、短路、输入及输出缺相、电机参数调节异常、电子热继电器等 |
主回路接线演示图

外型和安装尺寸

| 型号 | 宽(A) | 长(B) | 长(H) | 宽(W) | 厚(D) | 电流(A) | 净重(kg) |
| 185KW | 360 | 870 | 900 | 480 | 360 | 340 | 81 |
| 200KW | 360 | 870 | 900 | 480 | 360 | 380 | 81 |
| 220KW | 360 | 870 | 900 | 480 | 360 | 425 | 81 |
| 250KW | 360 | 870 | 900 | 480 | 360 | 480 | 85.4 |
| 280KW | 500 | 1035 | 1060 | 650 | 360 | 530 | 131 |
| 315KW | 500 | 1035 | 1060 | 650 | 360 | 600 | 131 |
| 355KW | 500 | 1035 | 1060 | 650 | 390 | 650 | 134.5 |
| 400KW | 500 | 1035 | 1060 | 650 | 390 | 720 | 136.7 |
| 450KW | 800 | 1310 | 1350 | 1000 | 390 | 820 | 250 |
| 500KW | 800 | 1310 | 1350 | 1000 | 390 | 860 | 254 |
| 560KW | 800 | 1310 | 1350 | 1000 | 390 | 1060 | 254 |
| 630KW | 800 | 1310 | 1350 | 1000 | 390 | 1200 | 254 |
| 710KW | 800 | 1310 | 1350 | 1000 | 390 | 1400 | 264 |
A/B为安装尺寸,H/W/D为外围尺寸
尺寸单位为mm
变频面板说明

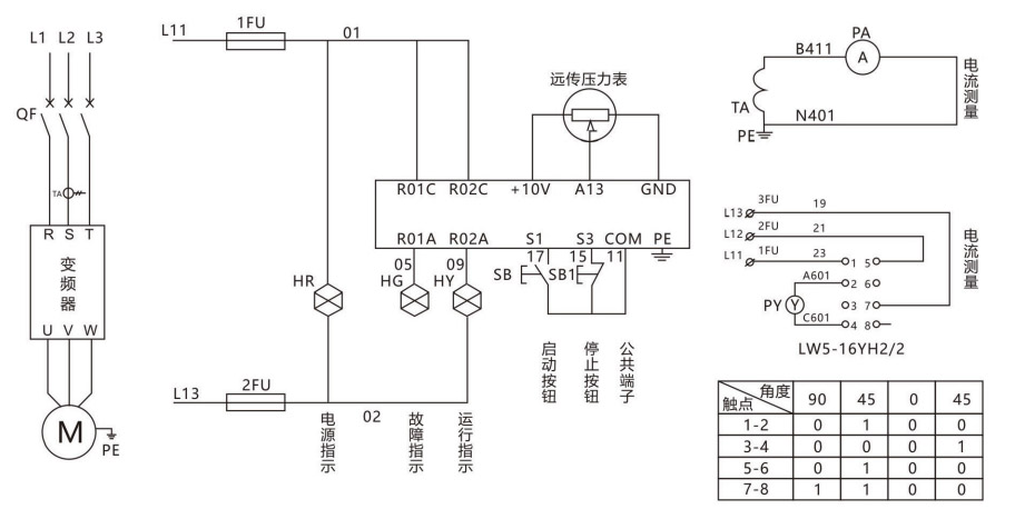
一拖一供水接线原理图

控制单元-外接电位器端子接线图

外部端子-外接启动停止端子接线图

外部端子-外接正反转接线图

Contact us
联系我们
欢迎与我们联系,一起开创更辉煌的未来!


